글라스 폴딩도어 GLASS FOLDING DOOR
글라스 폴딩도어
강화유리로 이루어진 접이식 문. 일반 폴딩도어와 달리 양쪽에 바가 없으며, 문을 하나만 움직여도 모든 문이 연동되는 연동형 개폐 시스템도어입니다. 프레임이 없는 글라스폴딩도어는 시원한 개방감과 시선을 사로잡는 디자인으로 상업공간, 주거공간 등 인테리어 속에서 큰 사랑을 받고 있는 인테리어 아이템입니다.
제품 상세설명
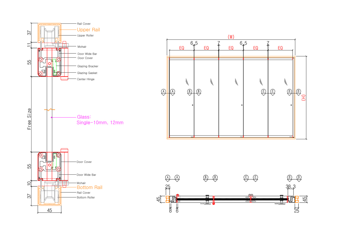
| 용도 | 상가(빌딩외부,카페), 사무실, 주거공간 등 | 프레임재질 | 46mm 알루미늄 |
| 프레임사이즈 | 상부W60XH40 / 측면W60XH30 / 하부W60XH40 | 출입문 | 가능 (플로어 힌지 강화도어) |
| 유리종류 | 10~12T 강화유리 | 유리색상 | 투명기본 (옵션 - 그린, 블루, 브라운) |
| 설치제한 | 도어 최대 폭 400mm ~ 650mm / 도어 최대 높이 1000mm ~ 3000mm | 도장 | 불소도장 (기본: 블랙, 화이트) 그외 지정색 가능 |
-
상/하부레일
글라스폴딩도어를 안전하고 완벽히 구동하기에 최적합화된 프레임. 상/하부에 힘을 효과적으로 분산하여 도어를 부드럽게 구동할수있게 함
-
H-BAR
상부,하부에서 강화유리를 완전하게 고정해 안정감있고 흔들림없는 구동감을 보여줌
-
스테인리스 베어링
프레임 하단에 스테인리스 베어링을 적용하여 부드럽고 흔들림없는 안정감을부여함. 스테인리스 소재 특성상 반영구적 사용 가능
-
강화유리
판유리를 열처리하여 충격이나 급격한 온도 변화에 견딜 수 있도록 단단하게 만든 유리. 보통 유리에 비하여 충격에 견디는 힘이 크기에 내구성이 좋은 강화유리 사용
-
강화유리손잡이
베이직한 디자인의 핸들과 심플한 폴딩글라스의 디자인과 잘 어울리며 그립감과 편의성이 뛰어남
-
모헤어
H-BAR 상,하부에 고급모헤어를 부착하여 공기부터 작은먼지, 벌레 등을 차단하여 더욱 쾌적한 환경을 유지함
제품 상세도면










